產品中心
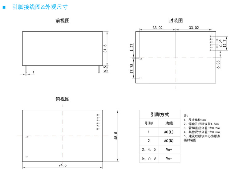
品牌:HIECUBE/高能立方 型號:GaN24N90P1 隔離耐壓:3000VAC 輸出電壓精度:±1% 電源類別:AC-DC電源模塊 模塊質保年限:三年
規格書下載:http://www.jj1314.com/uploads/88b4f52fadc7177a5732.pdf
GaN24N90P1規格書下載:http://www.jj1314.com/uploads/88b4f52fadc7177a5732.pdf